私達の身の回りにある家電製品や工場設備の電気機器など、実はそのほとんどが「直流電源」で動作していることをご存じでしょうか。
しかし、家庭内コンセントや工場の電源設備から供給されているのは、ほとんどが「交流電源」です。
そのため、コンセントから供給される交流電源だけでは、直流電源で動作する電子機器を使うことができません。
ひでくんセンサーやPLCなどの制御機器も直流電源のものばかりだよね
そこで、欠かせない存在になるのものが「パワーサプライ」です。
この記事では制御盤で使われるとても重要な機器であるパワーサプライについて、概要とその役割を解説していきます。



パワーサプライはどの制御盤でもだいたい使われている、とても大事な機器です!
パワーサプライって何?


パワーサプライは別名「直流安定化電源装置」とも呼びます。
英語だと「POWER SUPPLY」と書き、それぞれの意味は「POWER=電源」・「SUPPLY=供給」となります。
つまり、パワーサプライとはコンセント等の交流電源(AC)から直流電源(DC)を作り出し、接続した機器へ直流の電気を安定的に供給する機器の総称を言います。
パワーサプライは制御盤の中には必ずと言って良いほど設置されていて、工場設備にとって無くてはならないとても重要な機器の1つとなっています。



大なり小なり、必ず盤の中に入っているよね
パワーサプライってどんな仕組みなの?


パワーサプライには、直流電源の作り方に応じて次の2種類があります
スイッチング方式
スイッチング方式は、入力された交流電源を半導体で高速スイッチングすることで、所定の直流電源を得る方式です。
スイッチングレギュレータとも呼ばれていますね。
スイッチング方式の構造を表したものが下図になります。
引用先:松定プレシジョン(リニア電源とスイッチング電源の違い)
商用ラインの交流を一旦直流に変換する
まずは「商用ライン」から供給されてくる交流の電気を、「整流回路」部分でダイオードの性質を利用して一旦交流から直流に変換します。



行ったり戻ったりを繰り返す交流を、一定方向にしか流れない直流に変換するのがダイオードの役割です
ただし、単に交流から直流に変換するだけでは不十分です。
商用ラインから供給されてくる交流電源は、AC100VもしくはAC200Vであるため、そのままでは機器が必要とする直流電圧(DC5VやDC24V等)として使うことができないためですね。
それで次のステップです。
スイッチングデバイスを使って交流の電気に再変換する
平滑コンデンサを通って”なだらか”になった直流の電気を「スイッチングデバイス」を使って”高速でスイッチング”し、高周波の交流に再変換します。
とても速く動くスイッチ(半導体素子)を使ってON→OFFを繰り返すこと
このスイッチングによって作り出した交流は「高周波トランス」を通り、最終工程の「整流・平滑部」に送られます。



この高速スイッチングは、モーターの制御で使用するインバータでも使われている技術です
整流・平滑部で直流に変換し出力する
高周波トランスから送られてきた交流の電気は、ダイオードを通って再び直流に変換されます。
さらに、ローパスフィルタやコンデンサを通すことで、ノイズを取り除いた”きれい”かつ”安定”した直流の電気に仕上げられ、出力部から直流電源が出力されます。
制御回路で出力電圧を調整する
出力部には「制御回路」が接続されており、常に出力されている電圧の高さを監視しています。
この制御回路は、電圧を一定に保つための”司令塔”のような役割を果たしていて、電圧が変動しそうになるとスイッチングデバイスのパルス幅を制御します。
スイッチがONしている時間の長さのこと、パルス幅が広くなると電圧が高くなり、短くなると電圧は低くなる
こうして、高周波トランスから出力する交流の電気を適切に調整することで、接続されている負荷が変動しても出力される直流電源が一定に保たれるのです。



スイッチングデバイスが良い仕事をしてくれています
スイッチング方式は、使用する電子部品が小さいため小型軽量で効率が良いのがメリットですが、電圧変換にスイッチングを行っている為にノイズが発生しやすいというデメリットも存在します。
とは言え、発生するスイッチングノイズは各メーカーの技術によってかなり低減されているので、ユーザー側で特別なノイズ対策を行う必要は無くなってきました。
制御装置用に使われるパワーサプライはこのスイッチング方式が主流となっていて、スマートフォンを充電するときに使うUSB充電器もスイッチング方式を採用しています。





制御盤用で使うパワーサプライは、ほとんどがこのスイッチング方式ですね
リニア方式
リニア方式は、入力された交流電源をトランスで低い電圧に変換し、不要な部分を熱に置き換えて”捨てる”ことで所定の直流電源を得る方式です。
引用先:松定プレシジョン(リニア電源とスイッチング電源の違い)
商用ラインの交流を低い電圧に変換する
「商用ライン」から供給されてくる交流の電気を、トランスを使用して低い電圧の交流に変換します。
変換する電圧の高さは、最終的に出力したい直流電圧の高さを考慮して、少し高め(DC24VであればAC30V前後)になるよう設定されています。



リニア方式で使用するトランスは、スイッチング方式で使用する高周波トランスと比べて大きくなります
交流の電気を直流に変換する
変換した交流の電気を「整流回路」のダイオードを通して直流に変換し、「平滑回路」の平滑コンデンサを使って”なだらか”な状態に整えます。
この整流・平滑の工程はスイッチング方式と共通していますね。
必要な電気だけを取り出し、余分な部分は熱として排出する
「安定化回路」に供給されてくる直流電圧は、まだ目的の電圧よりも少し高い状態になっているため「レギュレータ(リニアレギュレータ)」で削って調整します。
このレギュレータの中には電気抵抗を可変できる素子が内蔵されており、出力したい電圧に応じて抵抗値をコントロールすることができます。
これにより、常に目的の電圧が出力されるよう調整され、抵抗によって除去された不要な電気エネルギーは”熱”として排出されます。



リニアレギュレータを使うから「リニア方式」と言うんだね
リニア方式は半導体などの多くの部品を使うスイッチング方式と違って、構造がシンプルでノイズの発生が少ないのが特徴です。
その代わり、スイッチング方式と比べて発熱の対策が必要であったり、トランスを有していることから本体が重く大きくなってしまうというデメリットがあります。



スイッチング方式の高周波トランスはリニア方式のトランスと違って小さいのも特徴ですね。


リニア方式のパワーサプライはノイズ発生の少なさから、ノートパソコンのACアダプタやオーディオ機器といったノイズを嫌う機器の電源装置で広く用いられています。







オーディオが趣味の人には必須の電源装置だね
パワーサプライってどんな時に使うの?|その目的や役割


パワーサプライは次のような目的のために使用されます。
交流電源から直流電源へ変換する
パワーサプライの最大の役割は、交流電源から直流電源へ変換(AC-DC変換)して、電子機器へ電源を安定的に供給することです。
設備の制御用に使われるPLC、光電センサーやロータリーエンコーダなどの検出機器については、一部の仕様のものを除いて直流電源(DC24V)で駆動するものがほとんどです。
そのため、これらの機器を動かすには、交流電源から直流電源に変換してくれるパワーサプライの設置が絶対に欠かせません。
パワーサプライは、接続する機器や環境に応じて、容量や出力電圧など様々な仕様のものがあります。
設置する条件を考慮して適正な機種を選定することが大切です。



AC→DCに変換する目的が1番多いですね
直流電源から直流電源へ変換する
制御用のパワーサプライは交流電源から直流電源に変換するものの他に、直流電源から直流電源に変換するものが存在します。



DC-DCコンバータとも言われますね
例えば、DC48Vの直流電圧からDC24Vの直流電圧に変換するといった具合です。
工場内の設備には交流電源を供給する場合が一般的ですが、フォークリフトなどの大型バッテリーを積んで駆動する装置については、供給される大元の電源はDC48Vなどの直流電源になります。
そのため、光電センサーなどのDC24Vの電源で動作する機器を使用する場合は、高い直流電源から低い直流電源に変換する必要があります。
このような場合に、直流から直流に変換してくれるパワーサプライが活躍してくれます。
逆に、車のバッテリーなどのDC12V電源ででDC24Vの機器を接続したい場合は、昇圧(低い電圧から高い電圧に変換する)用のパワーサプライを使うことで、電圧を上げて使用することが可能になります。
出力側の電源を安定させる
パワーサプライには入力する電圧と出力する電圧が全く同じ仕様の機種も存在します。
例えば、入力側がDC24Vで出力側もDC24Vといったものですね。



それって何か意味があるんですか?
このような声が聞こえてきそうですが、実はこれにも目的や役割があります。
例えばバッテリーのように電圧が変動しやすい電源を使用する場合、そのまま電子機器の電源として使用すると誤動作などの不具合が発生する可能性があります。
そのような場合にパワーサプライを経由することで、入力電圧の変動を吸収し、出力側の直流電圧を安定させることができるようになります。
供給元の電圧が不安定な場合だけなく、ノイズの影響が懸念される場合に使用しても非常に有効です。



パワーサプライの仕組みを上手く活用しているね
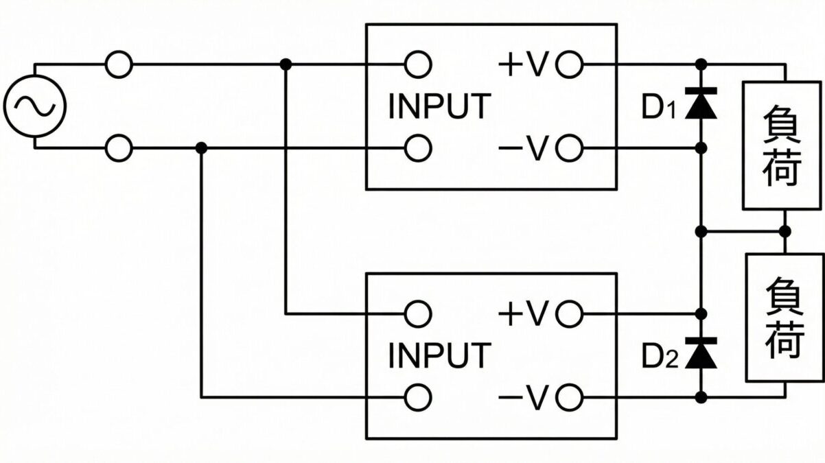
プラスとマイナスの電源を出力する
オーディオ機器や駆動装置へのアナログ信号など、使用用途によっては「プラス」と「マイナス」の両方の電源(例 ±DC12V等)が必要になることがあります。
一般的なパワーサプライはプラス出力のみですが、こうした用途のために1台でプラスとマイナス両方を出力できるパワーサプライも存在します。
2台のパワーサプライを組み合わせればこのような回路で電源を作ることもできますが、プラスマイナス同時出力に対応したパワーサプライを使用することで、省スペース化や配線の簡素化が可能になります。
引用先:オムロン ±(プラスマイナス)出力のつくり方



2台のパワーサプライを使ってプラスマイナスの電気を取り出す方法は、ちょっとややこしそうですね
TDKラムダ製のNND30シリーズであれば、±DC12Vと±DC15Vを出力することが可能です。
引用先:TDKラムダ(NND30-1515)
プラスマイナス同時出力の機能は出番こそ多くありませんが、存在を覚えておくと役に立つかもしれません。



僕にはちょっと縁が無いかな〜
主なパワーサプライのメーカー
主に僕が使っているパワーサプライのメーカーをご紹介します。
オムロン
センサーやリレー等でもお馴染みのオムロンです。
引用先:オムロン スイッチング・パワーサプライ(S8VK-G12024)
オムロンのパワーサプライは、大なり小なり様々な容量・種類の機種があり、非常にラインナップが充実しているのが大きな特徴の1つです。
ディスプレイに電圧表示をしてくれる機種など機能性が高いものもありますので、迷ったらオムロン製のパワーサプライから検討してみましょう。



値段もお手頃ですしおすすめです!
IDEC(アイデック)
引用先:IDEC(スイッチングパワーサプライ)
制御盤のスイッチや表示灯で有名なIDEC製のパワーサプライです。
かつては複数のシリーズがありましたが、現在は商品ラインナップがかなり整理されており、現在は写真の「PS5R-V形」に集約されています。
「これだけ?」と思うかもしれませんが、現場でよく使う10W〜240Wまでの容量帯はしっかりとカバーされており、取り付けや配線もしやすいため、僕自身気に入ってよく使っているパワーサプライです。



スマートで取付スペースが少なくて済みそうだね
TDKラムダ
引用先:TDKラムダ AC入力電源(RWS50B-24)
TDKラムダは産業用電源装置の分野でトップクラスのシェアをほこる、電源業界の雄です。
電源の専業メーカーということもあってバリエーションも非常に豊富で、プラスマイナス同時出力など、電源に求められるニーズのほぼ全てを網羅しています。
そのため、特殊な用途など選定に困った場合は、TDKラムダから選べば間違いないでしょう。



価格が若干高い傾向にありますが、機能性は文句なしです!
コーセル
引用先:コーセル(WDAシリーズ)
コーセルもTDKラムダと並んで日本の産業用電源分野で高いシェアをほこる、電源装置の専業メーカーです。
商品ラインナップも非常に豊富で、TDKラムダと同様一般的な仕様のものからマニアックな仕様のものまで幅広く揃っています。
また、医療分野にも積極的に電源装置を供給しているなど、その信頼性・堅牢性の高さには定評があります。



コーセルは昔使っていたことがあるのですが、基本性能が凄く高かったことを覚えています
まとめ


以上、パワーサプライの仕組みやその役割について解説しました。
パワーサプライは様々な場面で直流電源を得ることができる、設備にとって不可欠なとても重要な機器です。
接続する機器の定格電圧や負荷する容量によって適正な機種を選定する必要がありますので、”用法容量”を守って正しく使ってくださいね。










